トップページ > おもしろ科学実験室(工学のふしぎな世界) > 身の回りの自然放射線を測れる電子回路

おもしろ科学実験室(工学のふしぎな世界)

身の回りの自然放射線を測れる電子回路

2025年11月14日
佐賀大学 理工学部
准教授 房安 貴弘

1.はじめに

 比較的簡単な電子回路とセンサーで、身の回りの放射線を測ることができます。今日はそのような計測電子回路を紹介します。

 ここで用いるセンサーは、下の写真のようなシリコン半導体で、PINフォトダイオードと呼ばれます。通常のダイオードは、正のキャリア(電流の担い手)を持つP型半導体と、負のキャリアを持つN型半導体を接合します。PINフォトダイオードの場合、P型とN型の間に、キャリアを持たない真性半導体(Intrinsic)を挿入することで、センサーとしての有感領域を増やし、高速かつ低ノイズの半導体センサーとなっています。

2.用意するもの

  • ユニバーサル基板1枚
  • 配線材料 適量
  • オペアンプ LMC662AIN/NOPB 1個
  • 抵抗器 100kΩ×2個,10kΩ×1個,1kΩ×3個,4.7MΩ×3個
  • セラミックコンデンサ 1pF×1個, 5pF×1個, 1000pF×1個, 0.1μF×5個, 0.01μF×1個
  • 電解コンデンサ 100μF×1個
    (ここまでは秋月電子「PINフォトダイオード使用簡易放射線量モニターキット」でも可)
  • ハンダこて、ハンダ
  • シールテープ(水道管に用いる物で、ホームセンターにあります)
  • アルミホイル
  • オシロスコープ(高校などの実験室にあります)、直流電源または9Vの乾電池
  • アトムレンズや鉱石など

3.実験装置の製作

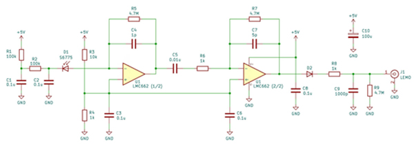
 組み立てる回路の回路図を下に示します。これは実は、秋月電子さんから販売されている「PINフォトダイオード使用簡易放射線量モニターキット」の回路のうち、アナログ回路だけを取り出したのと同じ回路です。複雑なデジタル回路の仕組みを取り除き、アナログ信号だけを観察するために、この回路を組み立てました。ですので、秋月電子さんのキットを買ってきて、アナログ回路の部品だけをハンダ付けしても、同じ実験ができます。その場合、全部組み上げてからアナログ信号を観察することもできますが、そうすると、信号を妨げるノイズが見られたときに、デジタルから混入しているのか、外部からなのか、アナログ回路特有なのか、分かりにくくなるので、はじめはアナログだけ組み立てることをお勧めします。

 この回路では、オペアンプと呼ばれる部品を使います。回路図の右向き三角形の2つの部品がオペアンプです。オペアンプは、日本語で演算増幅器とも呼ばれます。周辺部品の回路構成によって、加算回路、減算回路、微分回路、積分回路、波形増幅、信号発振器、高周波フィルタ、低周波フィルタ…など、かなり多種多様な演算回路を設計することができる、とても便利な半導体部品です。このオペアンプ2個が1つのパッケージに入った、LMC662という部品をここでは用います。

 回路について簡単に説明します。左側にある矢印のようなダイオード記号がPINフォトダイオードです。矢印の向きとは逆の電圧をかけることで、センサーの有感領域が発生し、放射線により生じた電荷を読み出すことができます。最初のオペアンプ回路は、この電荷を電圧に変換します。次のオペアンプ回路は、信号を大幅に増幅して、観測しやすい大きさの電圧信号にします。その後のダイオードと抵抗、コンデンサは、信号ピークを捕まえて、長時間保持します。

 PINフォトダイオードは文字通り光センサであり、そのままだと可視光に反応してしまいます。そこで、上の写真のように、水道管によく使うシールテープ(ホームセンターにあります)で絶縁した上で、アルミホイルで遮光とノイズ対策をします。アルミホイルは基板のグランドに接続できるよう、写真のようにフォトダイオードの裏側に配線を仕込みます。

4.実験しよう

 上の写真のように、全ての部品をユニバーサル基板の上に組んで、電源電圧5〜15Vを印加しました。今回は大学で保管している実験専用の線源を用いてガンマ線を当てました。皆さんが実験するときは、アトムレンズと呼ばれる古いカメラレンズが、微量の放射線源となるトリウムを含んでおり、手軽に使いやすいです。現在は市販されていませんが、オークションサイト等で入手可能です。鉱石の中にも、微弱な放射線を出すものがあります。安定した動作のためには、回路全体をビニール袋に入れてからアルミホイルで包むか、よりしっかりと作るのであれば、アルミケースに入れた上で、グランドをアースに接続すると良いです。

 オシロスコープで、上の図のような波形を観測することができました。この写真だけでは、放射線なのかノイズに反応したのか分かりませんが、まずは電子回路としては動作していると言えるでしょう。あとは、線源があるときと無いときの反応数の差を見ることで、信号の有無を確認することができます。根気のいる実験ですが、ぜひチャレンジしてみて下さい。

  • ※このページに含まれる情報は、掲載時点のものになります。

関連記事

2024-02-16

工学ホットニュース

世界初ダイヤモンド半導体パワー回路を開発-高速スイッチング、長時間連続動作を実証-

佐賀大学理工学部

2024-11-22

工学ホットニュース

ステンレス鋼/アルミニウム合金異材組み合わせのホットワイヤ・レーザAM技術の開発

広島大学工学部

2012-10-24

生レポート!卒業生の声

役に立つということ

金沢大学理工学域

2020-02-14

生レポート!卒業生の声

学生時代の挑戦と事を成し遂げる経験が大切!

宮崎大学工学部

2025-12-05

生レポート!大学教授の声

未来を拓く半導体への挑戦

富山大学工学部

2022-11-10

生レポート!現役学生の声

最先端のナノ材料研究で未来の光技術に貢献

和歌山大学システム工学部

佐賀大学
理工学部

  • 数理サイエンスコース
  • データサイエンスコース
  • 知能情報システム工学コース
  • 情報ネットワーク工学コース
  • 生命化学コース
  • 応用化学コース
  • 物理学コース
  • 機械エネルギー工学コース
  • メカニカルデザインコース
  • 電気エネルギー工学コース
  • 電子デバイス工学コース
  • 都市基盤工学コース
  • 建築環境デザインコース

学校記事一覧

おもしろ科学実験室(工学のふしぎな世界)
バックナンバー

このサイトは、国立大学56工学系学部長会議が運営しています。
(>>会員用ページ)
私たちが考える未来/地球を救う科学技術の定義 現在、環境問題や枯渇資源問題など、さまざまな問題に直面しています。
これまでもわたしたちの生活を身近に支えてきた”工学” が、これから直面する問題を解決するために重要な役割を担っていると考えます。